Цена:
по запросу
Артикул X-00013409
Описание модели
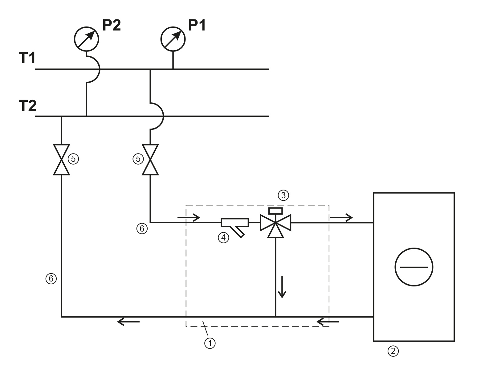
Смесительные узлы, с трехходовым клапаном, предназначены для регулирования мощности водяного охлаждения, т. е. для регулирования температуры подаваемого в помещения воздуха. Работает в широком диапазоне температур в сухой среде, защищенной от загрязнений.
Артикул: X-00013409
Доставка
Торговый дом "Промышленная вентиляция" осуществляет доставку продукции специальным транспортом, с удобной клиенту логистикой и способом в любой регион России. Оформление заказов и транспортировку определяют такие алгоритмы:
- для расчетов время следования груза от станции погрузки до места выгрузки закладывается до двух суток, но практически перевозка осуществляется быстрее, часто продукцию можно получить в течение этих же суток;
- при оформлении поставки наш менеджер звонит клиенту, с тем, чтобы оптимизировать доставку, для этого задаются следующие вопросы: фактический адрес, режим станции, контактное лицо, оптимальная дата для клиента, специальные условия на станции выгрузки (наличие пропуска, оформление доверенности и другие особенности);
- нашим клиентам доступен самовывоз на собственном транспорте.
Оплата
Торговый дом "Промышленная вентиляция" принимает оплату перечислением на расчетный счет по предварительно выставленному счету. Взаимодействие с клиентами осуществляется в такой последовательности:
- мы используем все варианты расчетов: оплата по факту отгрузки, 100% предоплата, отсрочка действующим клиентам на банковские или календарные дни;
- после проведения транша наш менеджер сообщает клиенту, что деньги поступили на р/с, озвучивает последующие действия по договору;
- для каждой отправляемой партии время устанавливается индивидуально, сроки определяются в спецификации.
Предоставляем услуги монтажа и установки высокоэффективных вентиляционных систем с дальнейшим сервисным обслуживанием. В работе мы используем только качественное оборудование известных производителей, имеем все необходимые лицензии и сертификаты качества.
Установка вентиляции производится согласно индивидуально разработанному проекту, который обязательно должен соответствовать санитарно-гигиеническим общепринятым стандартам.